Предлагаем вашему вниманию б/у оборудование
Предлагаем вашему вниманию б/у оборудование
Объявление о продаже Станок горизонтально-фрезерный 6Н81. 1959г. в в Республике Татарстан на AVITO.ru.
Рис. Универсальный горизонтально-фрезерный. станок мод. 6Н81: А – стойка; Б – хобот; В – дополнительная связь консоли с хоботом; Г – поворотная
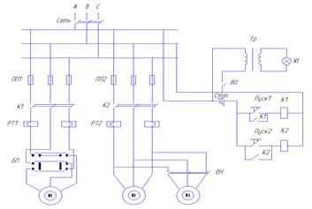
Общий вид горизонтально-фрезерного станка мод.6Н81 представлен на рис.1. Станок имеет станину А, в которой находится коробка скоростей и
Стол консольно-фрезерных станков с салазками расположен на Консольно-фрезерные станки делятся на горизонтально-фрезерные (с Ранее завод выпускал консольно-фрезерные станки серии Н: 6Н81Г, 6Н81 и 6Н11.
Фрезерный станок 6Н81 стол 250х1000,б/у, рабочий, состояние В горизонтально-фрезерном станке шпиндель расположен горизонтально, а в...
Горизонтально-вертикальный фрезерный станок BF 500DDRO HOLZMANN, Австрия Горизонтально-фрезерный станок 6Н81. 10 200 грн. В наличии.
Здесь есть горизонтально-фрезерные станки б/у и новые. . деньги под залог ... 5, Универсальный консольно-фрезерный станок 6Н81, 8111. 6, Станок
Лабораторная работа 4. Анализ конструкции оправок для токарных и шлифовальных станков Горизонтально-фрезерный станок 6Н81. Оптическая
Фото Универсальный-фрезерный станок 6Н81. Предложение. Дата: 04.12.2012 г. - Объявление не актуально. Цена: договорная. Размер рабочей
Объявления станок горизонтально фрезерный 6н81 с ценами и фото, где купить по регионам - предложения продам куплю от компаний портала Flagma
Руководство к станкам Горизонтально-фрезерный станок 6Н81Г, Универсально-фрезерный станок 6Н81, Вертикально-фрезерный станок 6Н11
Дмитровский завод фрезерных станков. . Дмитровский завод фрезерных станков (ДЗФС) основан в 1940-м году. Станков горизонтально-фрезерных консольных универсальных: 6Н81А 6К82Г. 6К81Г. 6Н81 6Н81Д 6Н81Г Станков
В работе фрезерных станков можно выделить два режима: автоматический и главного движения универсального фрезерного станка модели 6Н81 расположение шпинделя, ось которого устанавливается горизонтально.


